
四川眉山仲辉集团造纸厂,生产多种文化用纸,有多条造纸生产线,主要是1092小纸机,也有1770纸机。这些纸机是早年的产品,传动部分有总轴传动和分部传动,分部传动又有电磁调速传动和直流调速传动。由于使用年代较久,故障率较高,迫切需要改造。从2003年起,先后对这些纸机实施了变频改造,全部改造都使用了希望伟德体育官方网站的变频器,主要使用SB70G系列变频器。实践证明,SB70G系列通用变频器,开环控制的精度可以适应类似1092、1770这类低速纸机的要求,并且变频器的稳定性和可靠性较高,减少了因电磁调速和直流调速故障而产生的停机损失。
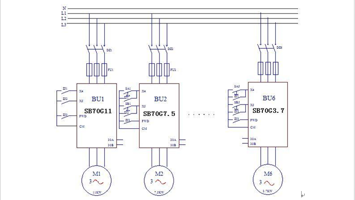
本例以分部传动点为6个点的1092为例加以说明。图2中,各传动点的电机功率分别为:网部11kW,压榨7.5kW,烘1~烘2均为5.5kW,压光3.7kW,卷纸3.7kW。纸机的负载为恒转矩负载和大惯性负载,选用希望伟德体育官方网站SB70G系列变频器,速度的调节用变频器的端子X4、X5用以设定频率。在X4、X5端口上,接有按钮和中间继电器常开节点,按钮SA1~SA5本级速度上升微调;SB1~SB5本级速度的下降微调;ZJ1总速度上升;ZJ2总速度下降;ZJ3总起/总停,这又是一种速度链的分配方式。

图2 1092纸机变频调速原理图
纸机传动经过变频改造,较之于电磁调速,低速(爬行)力矩满足工艺要求,运行更稳定,调速更方便,而且有25%的节能,经济效益十分显著。