
摘要
在工业自动化蓬勃发展的时代背景下,设备运行的稳定性与可靠性已成为企业生产的核心竞争力。本文主要介绍了基于Hope530系列高性能矢量控制平台,凭借国内首创的双机热冗余技术(DMHR, Dual-machine hot redundancy),为众多工艺调速设备带来了全新的高可靠性变频调速解决方案,在实际应用中彰显出卓越性能,有力推动了电机驱动技术的高质量发展。
In the context of the booming development of industrial automation, the stability and reliability of equipment operation have become the core competitiveness of enterprise production. SLANVERT based on the Hope530 series high-performance vector control platform, has brought a new high reliability variable frequency speed control solution to many process speed control equipment with its domestically pioneered Dual machine hot redundancy technology (DMHR). It has demonstrated excellent performance in practical applications and effectively promoted the high-quality development of motor drive technology.
关键词:双机热冗余 主从控制 变频调速 升级改造
Keywords: Dual machine hot redundancy, Master-slave control, Variable frequency adjustable speed, Upgrade and renovation
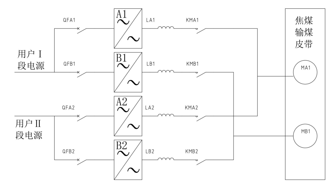
山西某焦化集团控股子公司焦炭输煤皮带改造项目中,变频驱动系统需满足零故障停机要求。原皮带输送机由两台185kW电机同步驱动,因生产工艺的核心地位,变频调速系统的可靠性直接决定生产连续性。传统热备方案是一台设备工作,另一台处于待机状态;当工作设备故障时,才能启动备用设备。希望伟德体育官方网站采用双机热冗余(DMHR)+主从控制两大核心技术,为其提供高可靠性电机驱动解决方案。

图1 双机热冗余系统一次图
针对本项目的实际需求,系统采用Hope530系列高性能矢量变频器,A1和A2(B1和B2)分别为两套热冗余系统,均配置了DMHR技术,通过双变频器实时同步控制,实现互为热备的ms级切换。
另外一个难点在于两台电机还需要进行主从同步控制,以满足皮带机系统的负荷均衡分配要求。希望伟德体育官方网站采用动态同步调节算法,实时补偿负载差异,确保A1和B1(A2和B2)任意两台变频器输出功率平衡(±2%)。

图2 现场安装图
在双机热冗余模式下,图1的4台变频器输出接触器均处于闭合状态, A1和A2两台设备同时运行并实时交换数据,一台设备拥有控制权,另一台进行监视,一旦控制设备出现故障,监视设备能迅速接管控制权;B1和B2也是同理。相比传统热备方案,DMHR技术在保障设备连续运行方面更具优势。
表1 双机热冗余与传统的热备方案对比
| 技术类型 | 运行模式 | 切换时间 | 适用场景 |
| 传统热备 | 主设备运行,备用设备待机 | 秒级 | 对停机容忍度较高场 |
| DMHR | 双设备实时同步,无缝接管 | <3ms | 高连续性生产场景 |
变频器之间均通过扩展光纤板通讯,确保了数据传输的高速性与稳定性,实现了各个设备之间的高效连接。同时,通讯集成板和主板的扩展IO板也发挥着关键作用。扩展IO板外接24V供电,具备网口CAN协议,能够实现与外部设备的灵活交互,满足复杂工业场景下的各种控制需求。

图3 通讯接口示意图
希望伟德体育官方网站采用主从控制动态同步调节优化算法,主从机同步参数均通过通讯实时传输,避免了模拟量采样误差,实现了高精度负荷平衡。
经过实际调试和验证,希望伟德体育官方网站Hope530系列变频器双机热冗余控制方案取得了显著效果。在0 - 50Hz调速范围内,带载运行频率同步,主从运行电流平衡;当主机或从机出现故障时,能够在3ms内切换,且切换过程无转速波动,真正实现了平稳热冗余投切。

图4 双机热冗余切换波形
在额定频率条件下,从切换电流波形(见图4)可以看出,系统在输出电流控制方面表现非常出色,整个切换过程输出电流的非常稳定。
经过升级改造后,驱动系统年故障停机时间从12小时降至0,减少了因故障意外停机对皮带造成的损伤,设备寿命延长20%,备件更换频率下降30%。

图5 皮带电驱系统现场图
综上所述,希望伟德体育官方网站DMHR技术可为高连续性生产场景,提供高可靠性的电机驱动解决方案,助力企业提升生产效率,降低运营成本,具有广泛的应用前景。随着产品线的不断完善,我们将推出更多卓越的产品和解决方案,为客户创造更高的价值,持续推进工业生态化发展,共创美好未来。